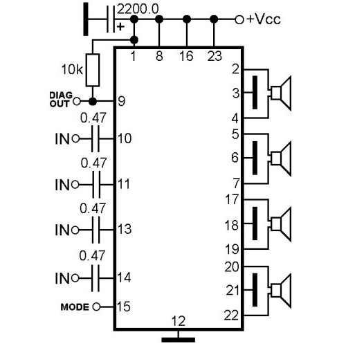
INTEGRATED CIRCUITS DATA SHEET TDA8571J 4 x 40 W BTL quad car radio power amplifier 1998 Mar 13 Preliminary specification File under Integrated Circuits, IC01 Philips Semiconductors Preliminary specification 4 x 40 W BTL quad car radio power TDA8571J amplifier FEATURES GENERAL DESCRIPTION ? Requires very few external components The TDA8571J is a integrated class-B output amplifier
TDA8571J
- Marcas GENERICO
- Código de Producto:( 11496 ) TDA 8571J C1736
- Disponibilidad:En Stock
-
$24,180.00


